125 MANXMAN 2016 (QM125-2X)

-
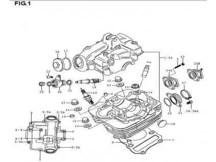
1-Hlava motoru
-
2-Válec motoru
-
3-Kliková skříň
-
4-Kryty motoru
-
5-Kliková hřídel,píst pístní kroužky
-
6-Volnoběžka
-
7-Rozvody
-
8-řetěz,lišty,napínák rozvodů
-
9-Čerpadlo,filtr oleje
-
10-Spojka motoru
-
11-Převodovka,rozeta primární
-
12-řazení
-
13-Starter elektrický
-
14-Magneto
-
15-Karburátor
-
16-Pedál startovací
-
17-Motor
-
18-Rám hlavní.stupačky,držáky
-
19-řidítka,tachometr,spínače,brda přední,páčky,bowdeny
-
20-Nádrž paliva,sedlo,zámky
-
21-Tlumiče zadní,řetěz hnací,kryt řetězu
-
22-Světla,blikače
-
23-Elektropříslušenství
-
24-Vidlice zadní,blatník zadní
-
25-Pedál řazení,pedál brzdy zadní,stojan boční
-
26-Kolo přední,brzdový kotouč
-
27-Kolo zadní,rozeta,štít brzdy zadní
-
28-Výfuk,filtr vzduchu,schránka nářadí,držák AKU
-
29-Vidlice přední
-
30-Blatník přední,kryty boční
-
31-Zrcátka,nářadí
Nejprodávanější
Řazení produktů
287 položek celkem
Výpis produktů
1 648,25 Kč
/ ks
496,14 Kč
/ ks
535 Kč
/ ks
