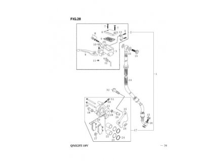
28 - brzda přední

Řazení produktů
6 položek celkem
Výpis produktů
1 108,02 Kč
/ ks
195 Kč
/ ks
105 Kč
/ ks
307,56 Kč
/ ks
1 096,99 Kč
/ ks
Ovládací prvky výpisu
6 položek celkem
