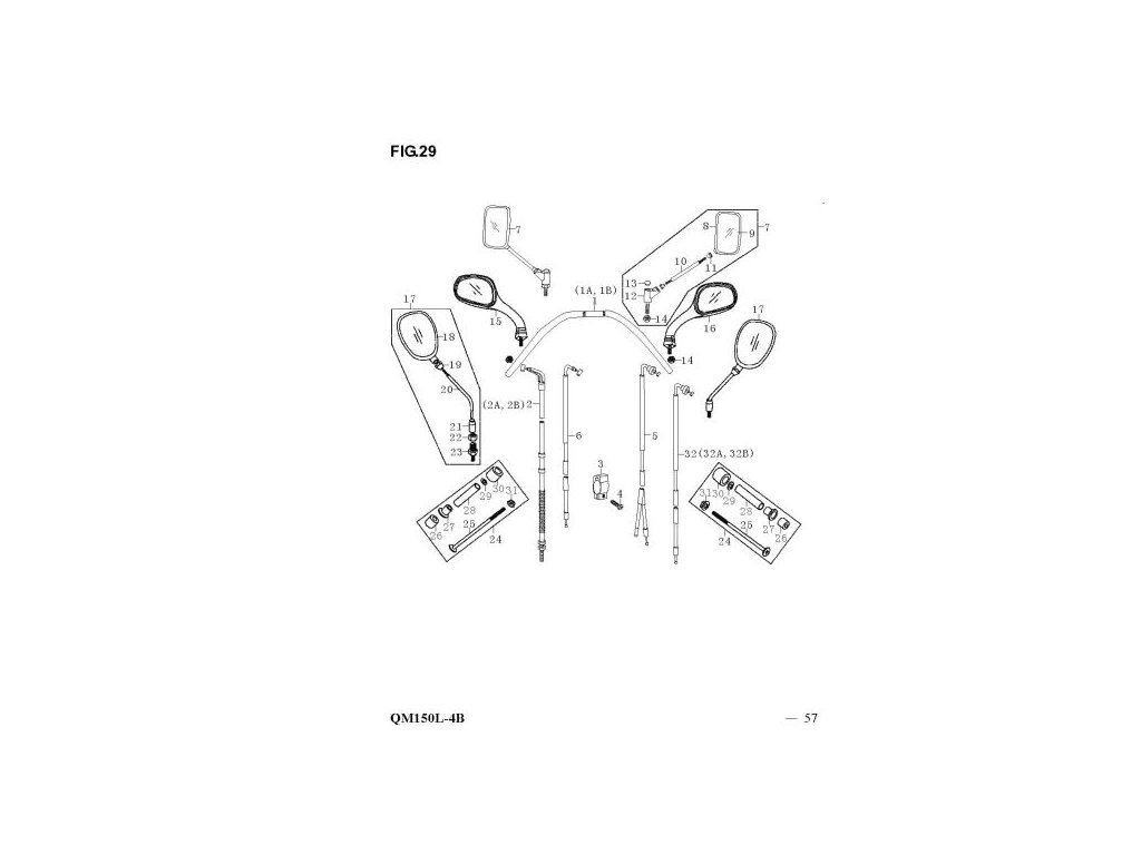
06 - bowden sytiče
Kód: L4B2906Detailní popis produktu
Vhodné pro model:125 ENDURO II (QM125GY-2): POZOR: je náhradou původního dílu GY2190602 a je nutné zohlednit tuto informaci pro uvedený typ moto: NÁHRADA délka bowdenu 97cm
Doplňkové parametry
| Kategorie: | 29 - řidítka, bowdeny, zrcátka |
|---|---|
| EAN: | QM150L-4B.32.4-00 |
| Skladové číslo: | L4B2906 |
| Skupina: | 29 |
| Pozice: | 06 |
| Typ moto: | QM125L-4B |
| Model: | 125 VISTA |
| Počet ks na moto: | 1 |
Diskuze
Buďte první, kdo napíše příspěvek k této položce.
