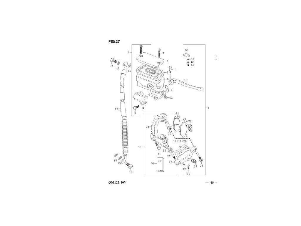
16 - brzdič přední sestava
Kód: 10V5016Detailní popis produktu
Vhodné pro model:125 SPORT II. (QM125-2V): POZOR: je náhradou původního dílu 12V4117 a je nutné zohlednit tuto informaci pro uvedený typ moto: včetně destiček, barva zlatá nebo stříbrná-na dotaz
Doplňkové parametry
| Kategorie: | 50 - brzdová pumpa,hadice,brzdič,destičky |
|---|---|
| EAN: | QM125-2V.47-5 |
| Skladové číslo: | 10V5016 |
| Skupina: | 50 |
| Pozice: | 16 |
| Typ moto: | QM125-10V |
| Model: | 125 SPORT |
| Počet ks na moto: | 1 |
| Poznámka: | včetně destiček, barva zlatá nebo stříbrná-na dotaz |
Buďte první, kdo napíše příspěvek k této položce.
Přidat komentář
