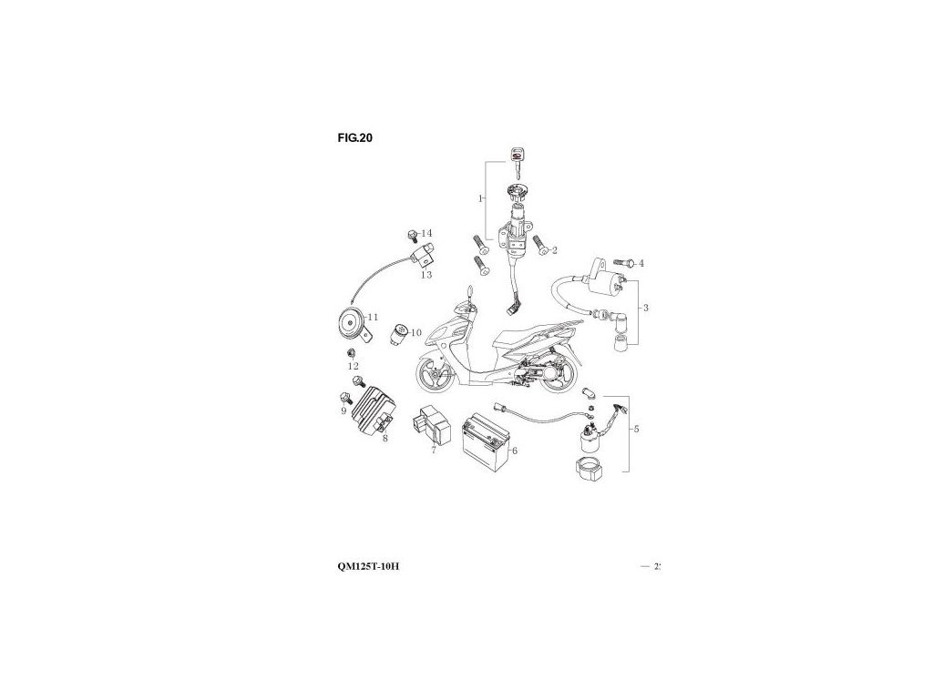
11 - klakson
Kód: 10H2011Detailní popis produktu
<Díl již není možné objednat, ale existuje NÁHRADA SKN141501. Náhradu naleznete zdeDoplňkové parametry
| Kategorie: | 20 - elektropříslušenství,akumulátor |
|---|---|
| EAN: | 38501QAA2000 // QM50QT-3.63-00 |
| Skladové číslo: | 10H2011 |
| Skupina: | 20 |
| Pozice: | 11 |
| Typ moto: | QM125T-10H |
| Model: | 125 SPACE |
| Počet ks na moto: | 1 |
| Objcislo: | SKN141501 |
| Položka byla vyprodána… | |
Diskuze
Buďte první, kdo napíše příspěvek k této položce.
