02 - kufr boční L. (modrá met.)
Kód: L4B4902UMDetailní popis produktu
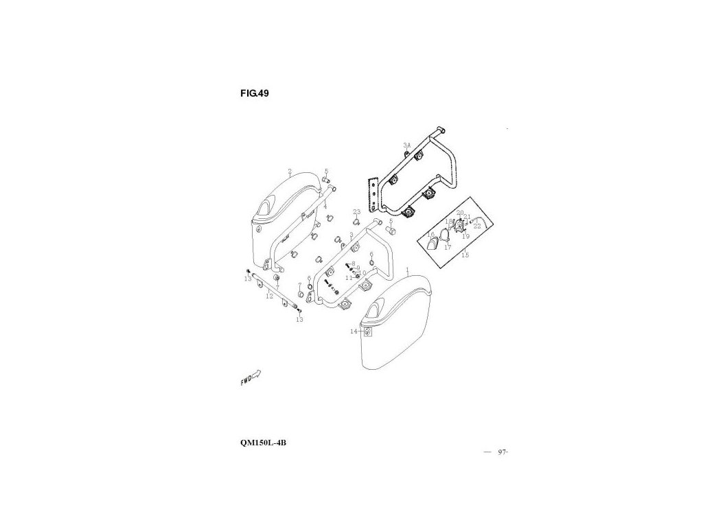
Vhodné pro model:250 VISTA (QM250): je náhradou původního dílu 25L5102UM
Doplňkové parametry
| Kategorie: | 49 - kufry zavazadlové |
|---|---|
| EAN: | 93420QMD2000 // QM150L-4B.56.2-00 |
| Skladové číslo: | L4B4902UM |
| Skupina: | 49 |
| Pozice: | 02 |
| Typ moto: | QM125L-4B |
| Model: | 125 VISTA |
| Barva: | modrá met. |
| Barva kód: | UM |
| Počet ks na moto: | 1 |
| Položka byla vyprodána… | |
Diskuze
Buďte první, kdo napíše příspěvek k této položce.
