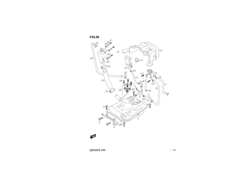
28 - plovák nádrže paliva
Kód: 10T3628Detailní popis produktu
Vhodné pro model:50 JET (QM50T-10V): je náhradou původního dílu 50T3128
Doplňkové parametry
| Kategorie: | 36 - nádrž paliva |
|---|---|
| EAN: | 34800QED2000 // QM125T-4B.77-00 |
| Skladové číslo: | 10T3628 |
| Skupina: | 36 |
| Pozice: | 28 |
| Typ moto: | QM125T-10V |
| Model: | 125 JET |
| Počet ks na moto: | 1 |
| Položka byla vyprodána… | |
Diskuze
Buďte první, kdo napíše příspěvek k této položce.
