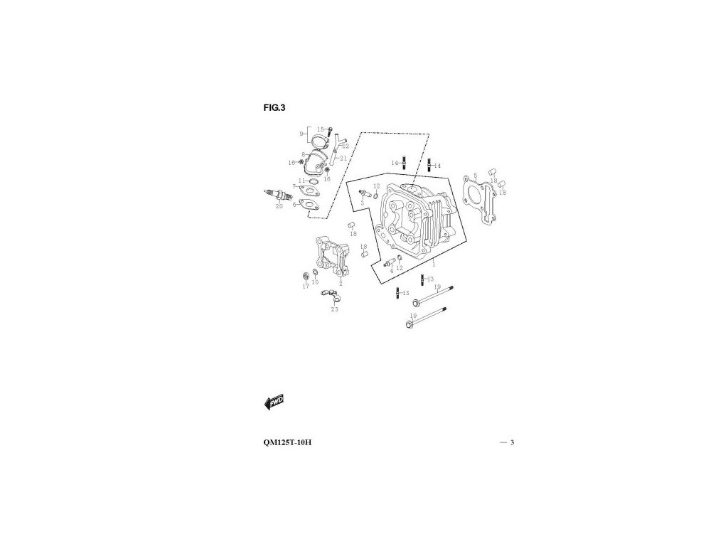
18 - pouzdro 10x16
Kód: 10H0318Detailní popis produktu
<Díl již není možné objednat, ale existuje NÁHRADA 10D0318. Náhradu naleznete zdeDoplňkové parametry
| Kategorie: | 03 - hlava motoru |
|---|---|
| EAN: | 244FMI.02-13 |
| Skladové číslo: | 10H0318 |
| Skupina: | 03 |
| Pozice: | 18 |
| Typ moto: | QM125T-10H |
| Model: | 125 SPACE |
| Objcislo: | 10D0318 |
| Počet ks na moto: | 4 |
| Položka byla vyprodána… | |
Diskuze
Buďte první, kdo napíše příspěvek k této položce.
