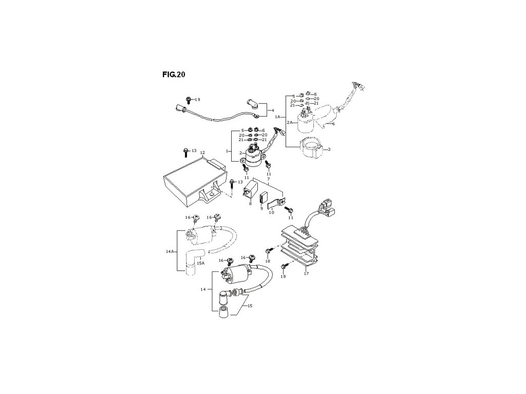
17 - regulátor napětí
Kód: D122017Detailní popis produktu
Díl již není možné objednat, ale existuje NÁHRADA D202017. Náhradu nalezneteDoplňkové parametry
| Kategorie: | 20 - elektropříslušenství I. SM/TR |
|---|---|
| EAN: | QM125-2.71-00 |
| Skladové číslo: | D122017 |
| Skupina: | 20 |
| Pozice: | 17 |
| Typ moto: | QM125GY2BA |
| Model: | 125 SM |
| Počet ks na moto: | 1 |
| Objcislo: | D202017 |
| Položka byla vyprodána… | |
Diskuze
Buďte první, kdo napíše příspěvek k této položce.
