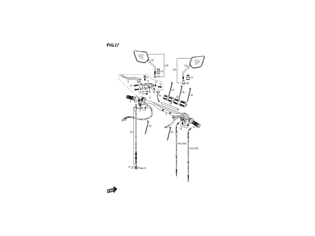
01-1 - řidítka
Kód: D12270101Detailní popis produktu
Díl již není možné objednat, ale existuje NÁHRADA C202501. Náhradu nalezneteDoplňkové parametry
| Kategorie: | 27 - řídítka,zrcátka,bowdeny,páčka L. SM/TR |
|---|---|
| EAN: | D12270101 |
| Skladové číslo: | D12270101 |
| Skupina: | 27 |
| Pozice: | 01-1 |
| Typ moto: | QM125GY2BA |
| Model: | 125 SM |
| Poznámka: | bez hrazdy zlaté ALU |
| Objcislo: | C202501 |
| Položka byla vyprodána… | |
Diskuze
Buďte první, kdo napíše příspěvek k této položce.
