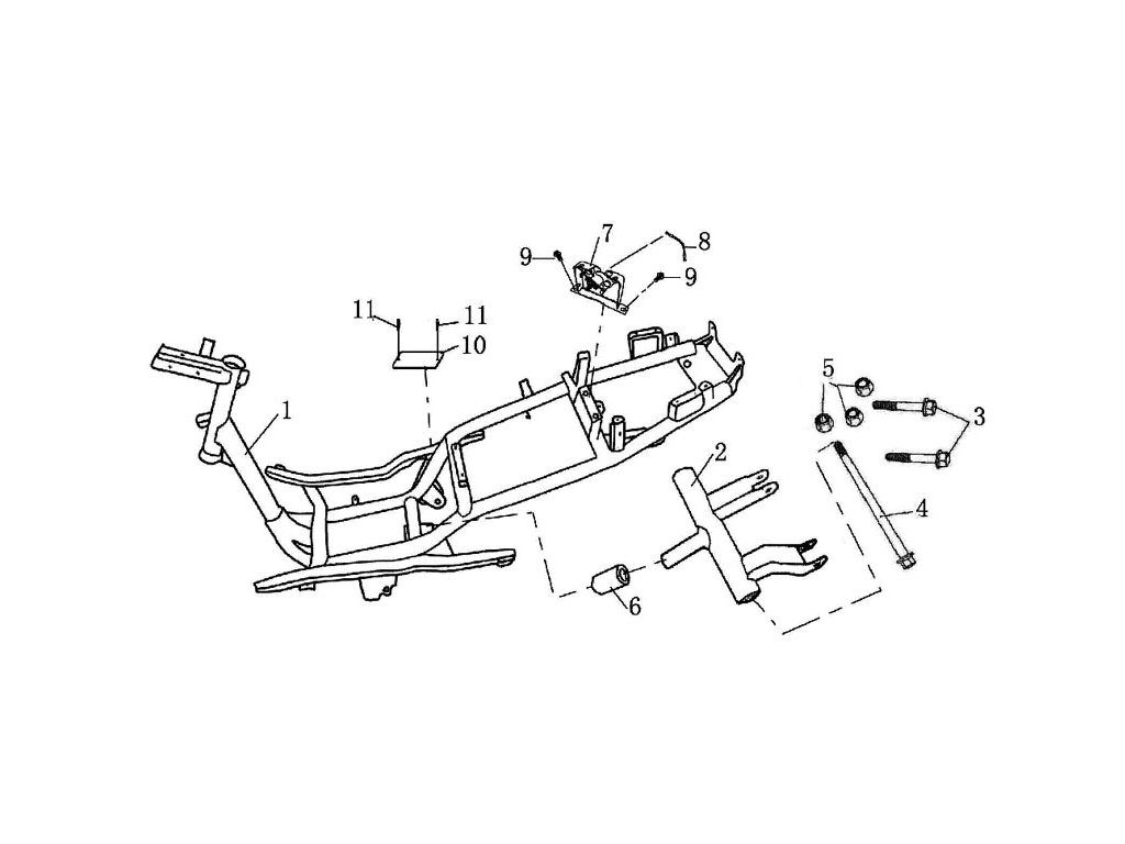
06 - silenblok držáku motoru
Kód: 50W1606Detailní popis produktu
<Díl již není možné objednat, ale existuje NÁHRADA 50E0806. Náhradu naleznete zdeDoplňkové parametry
| Kategorie: | 16 - rám hlavní |
|---|---|
| EAN: | YYB950QT02004 |
| Skladové číslo: | 50W1606 |
| Skupina: | 16 |
| Pozice: | 06 |
| Typ moto: | SK-50QT-27 |
| Model: | 50 WHIP 4T |
| Počet ks na moto: | 1 |
| Objcislo: | 50E0806 |
| Položka byla vyprodána… | |
Buďte první, kdo napíše příspěvek k této položce.
Přidat komentář
