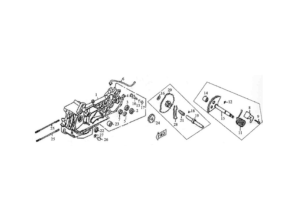
23 - silentblok motoru
Kód: 12M0523Detailní popis produktu
<Díl již není možné objednat, ale existuje NÁHRADA 10D1502. Náhradu naleznete zdeDoplňkové parametry
| Kategorie: | 5 - skříň klik.L.,segment |
|---|---|
| EAN: | BN152QMI-0607000 |
| Skladové číslo: | 12M0523 |
| Skupina: | 05 |
| Pozice: | 23 |
| Typ moto: | ZN125T-7C |
| Model: | 125 MATRIX (CZ) |
| Počet ks na moto: | 1 |
| Objcislo: | 10D1502 |
| Položka byla vyprodána… | |
Buďte první, kdo napíše příspěvek k této položce.
Přidat komentář
