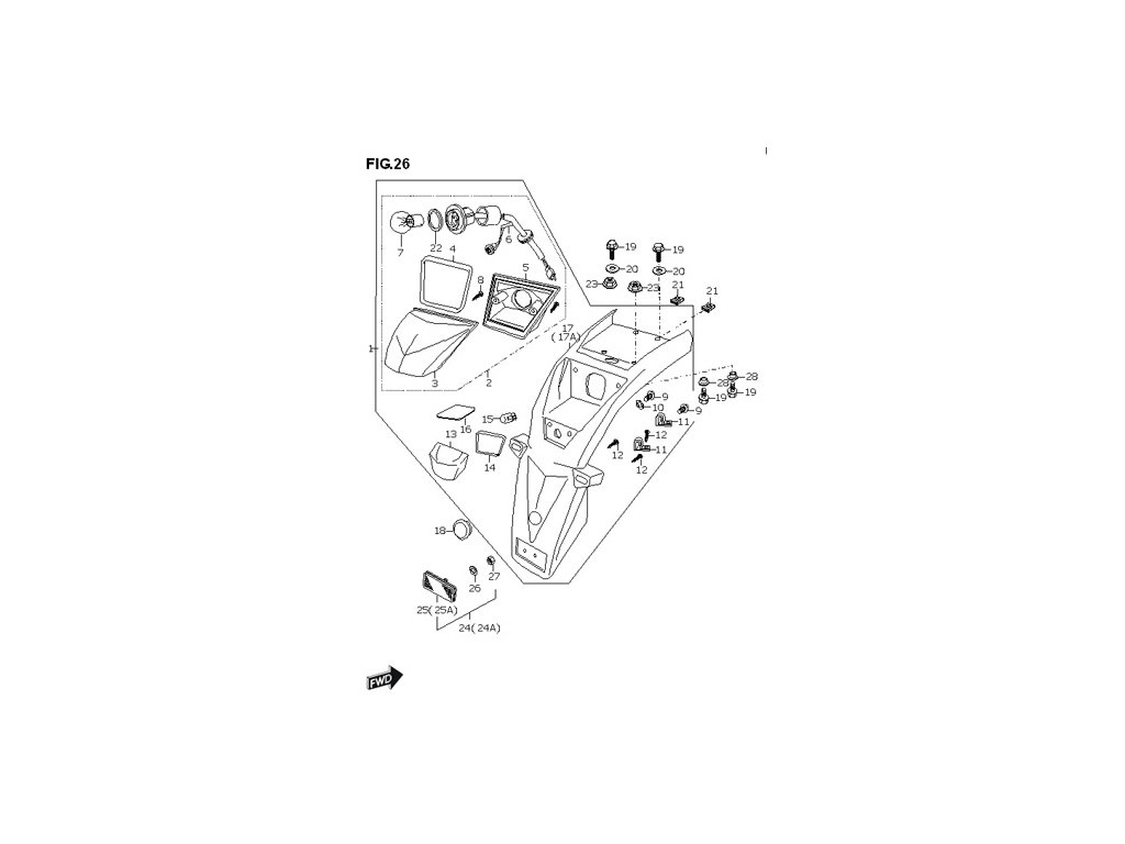
13 - sklo osvětlení RZ
Kód: D125513Detailní popis produktu
Díl již není možné objednat, ale existuje NÁHRADA D202613. Náhradu naleznete ZDE.Doplňkové parametry
| Kategorie: | 55 - světlo zadní,blatník zadní TR |
|---|---|
| EAN: | QM200GY-B.62.3.1.2-1 |
| Skladové číslo: | D125513 |
| Skupina: | 55 |
| Pozice: | 13 |
| Typ moto: | QM125GY2BA |
| Model: | 125 SM |
| Počet ks na moto: | 1 |
| Objcislo: | D202613 |
| Položka byla vyprodána… | |
Diskuze
Buďte první, kdo napíše příspěvek k této položce.
