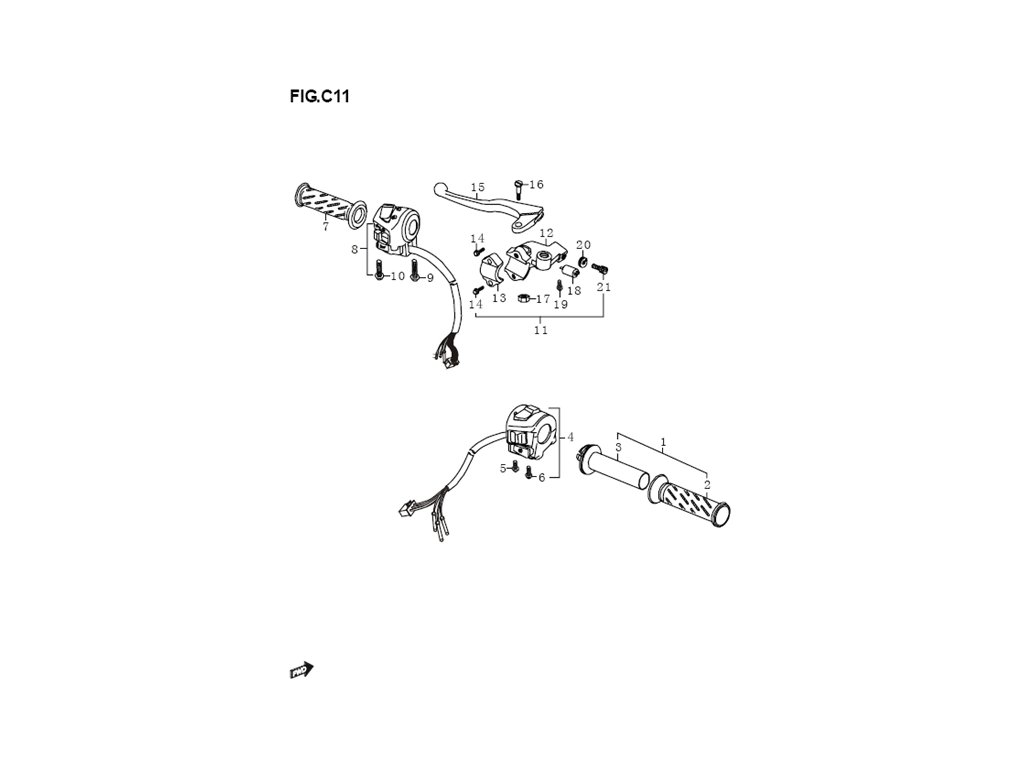
18 - spínač páčky L.
Kód: 12S2718Detailní popis produktu
Vhodné pro model:125 MANXMAN (XF125GY-2D): POZOR: je náhradou původního dílu 12B190804 a je nutné zohlednit tuto informaci pro uvedený typ moto: čep 10x25
125 MANXMAN S (QM125-2XS): POZOR: je náhradou původního dílu 10S290801 a je nutné zohlednit tuto informaci pro uvedený typ moto: čep 10x25
125i XTR (ZS125-86): POZOR: je náhradou původního dílu 11X290801 a je nutné zohlednit tuto informaci pro uvedený typ moto: náhrada-nemá aretaci proti vysunutí
Doplňkové parametry
| Kategorie: | 27 - Spínače,rukojetě,páčka L. |
|---|---|
| EAN: | QM200-2A.32 |
| Skladové číslo: | 12S2718 |
| Skupina: | 27 |
| Pozice: | 18 |
| Typ moto: | QM125-2D |
| Model: | 125 RS |
| Počet ks na moto: | 1 |
Diskuze
Buďte první, kdo napíše příspěvek k této položce.
