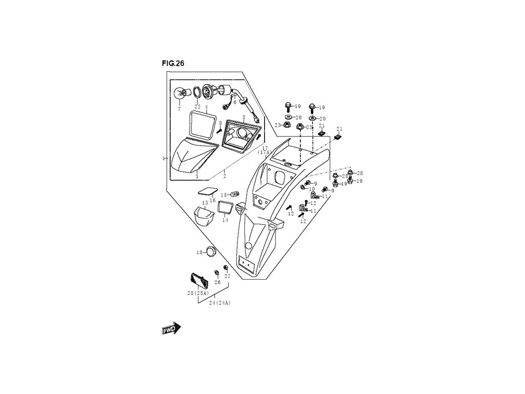
02 - světlo zadní TR
Kód: D205402Detailní popis produktu
Vhodné pro model:125 SM (QM125GY2BA): je náhradou původního dílu D125502
Doplňkové parametry
| Kategorie: | 54 - světlo zadní,blatník zadní - TR |
|---|---|
| EAN: | QM200GY-B.62.3.1.1-00 |
| Skladové číslo: | D205402 |
| Skupina: | 54 |
| Pozice: | 02 |
| Typ moto: | QM200GY-BA |
| Model: | 200 SM |
| Počet ks na moto: | 1 |
Diskuze
Buďte první, kdo napíše příspěvek k této položce.
