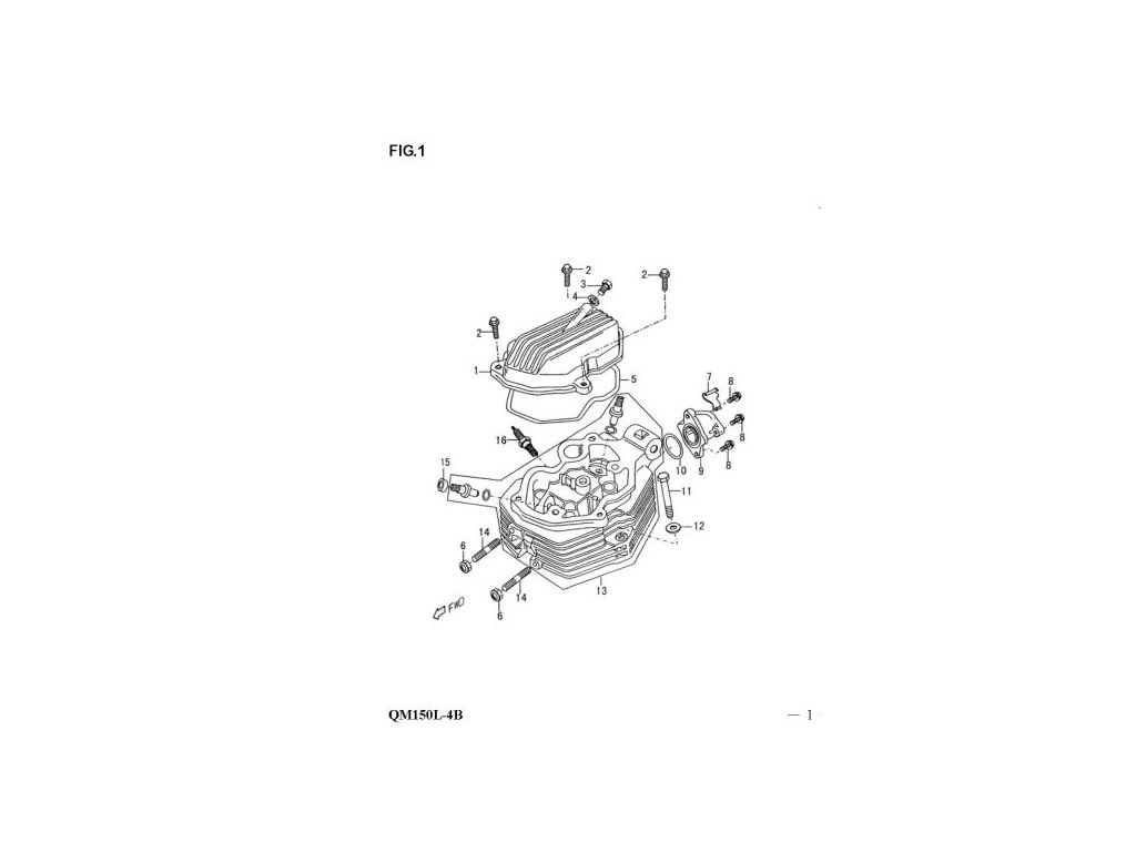
16 - svíčka zapalovací NGK D8EA
Kód: L4B0116Detailní popis produktu
<Díl již není možné objednat, ale existuje NÁHRADA 10V0107. Náhradu naleznete zdeDoplňkové parametry
| Kategorie: | 01 - hlava motoru |
|---|---|
| EAN: | L4B0116 |
| Skladové číslo: | L4B0116 |
| Skupina: | 01 |
| Pozice: | 16 |
| Typ moto: | QM125L-4B |
| Model: | 125 VISTA |
| Počet ks na moto: | 1 |
| Objcislo: | 10V0107 |
| Položka byla vyprodána… | |
Diskuze
Buďte první, kdo napíše příspěvek k této položce.
