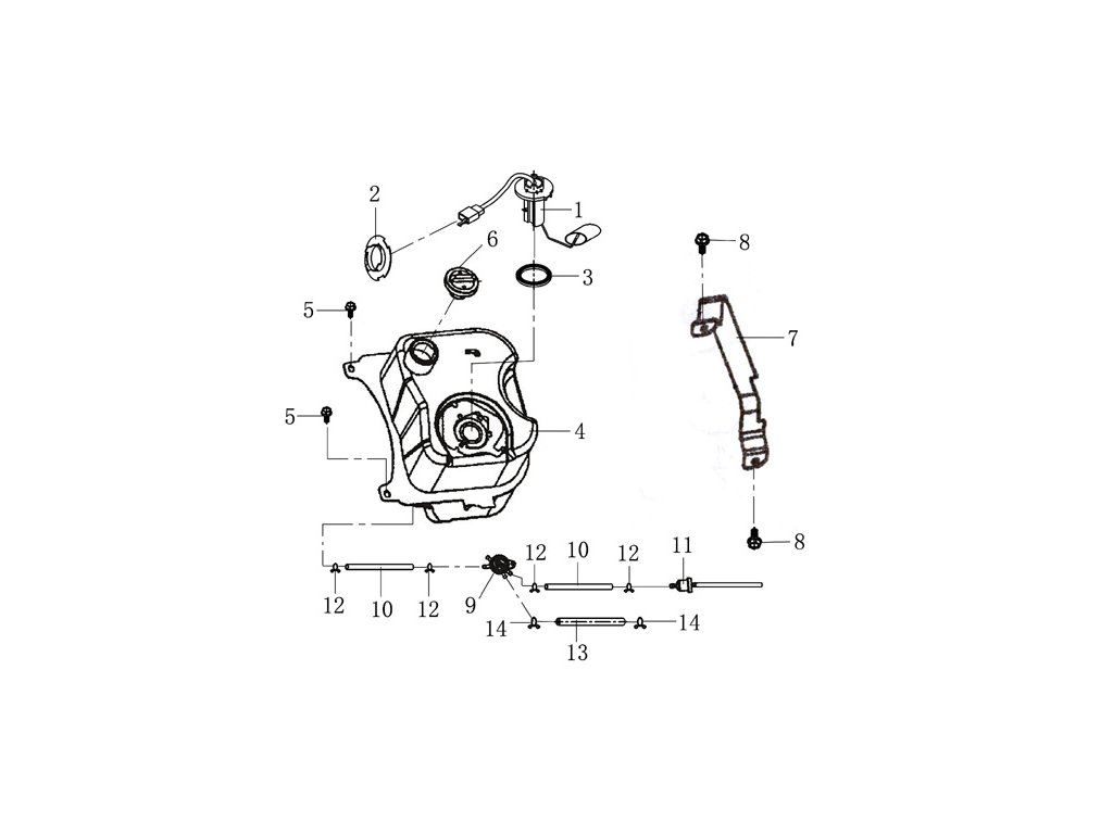
03 - těsnění plováku
Kód: 50Y2103Detailní popis produktu
<Díl již není možné objednat, ale existuje NÁHRADA 10D2511. Náhradu naleznete zdeDoplňkové parametry
| Kategorie: | 21 - Nádrž paliva |
|---|---|
| EAN: | YYLY5007003 |
| Skladové číslo: | 50Y2103 |
| Skupina: | 21 |
| Pozice: | 03 |
| Typ moto: | YY50QT-16 |
| Model: | 50 MATRIX (SK) 4T |
| Objcislo: | 10D2511 |
| Položka byla vyprodána… | |
Buďte první, kdo napíše příspěvek k této položce.
Přidat komentář
