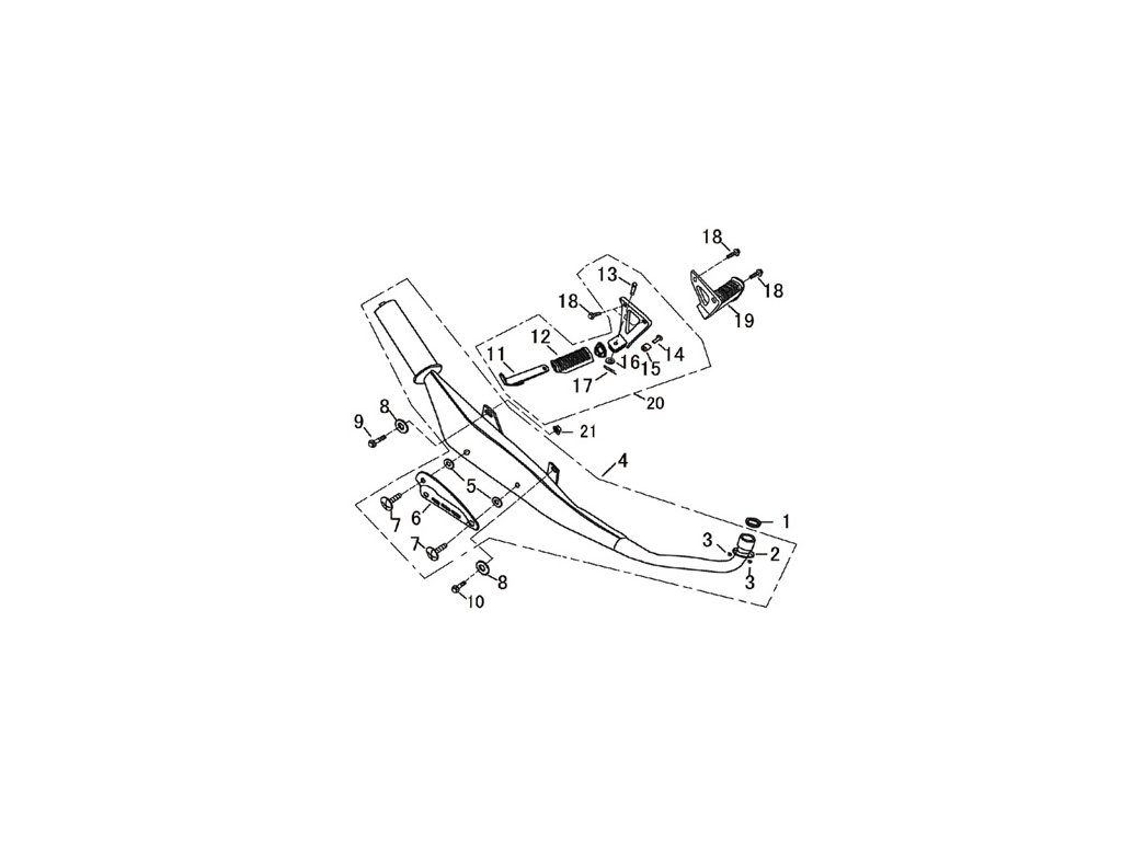
01 - těsnění výfuku
Kód: 12N4901Detailní popis produktu
Díl již není možné objednat, ale existuje NÁHRADA MON180903. Náhradu naleznete
zde
Doplňkové parametry
| Kategorie: | 49 - výfuk,stupačky zadní |
|---|---|
| EAN: | 18920/100-5 |
| sklcislo: | 12N4901 |
| skupina: | 49 |
| pozice: | 01 |
| Typ moto: | LF125-11J |
| Model: | 125 SNAKE |
| Počet dílu na moto: | 1 |
| objcislo: | MON180903 |
| Položka byla vyprodána… | |
Diskuze
Buďte první, kdo napíše příspěvek k této položce.
