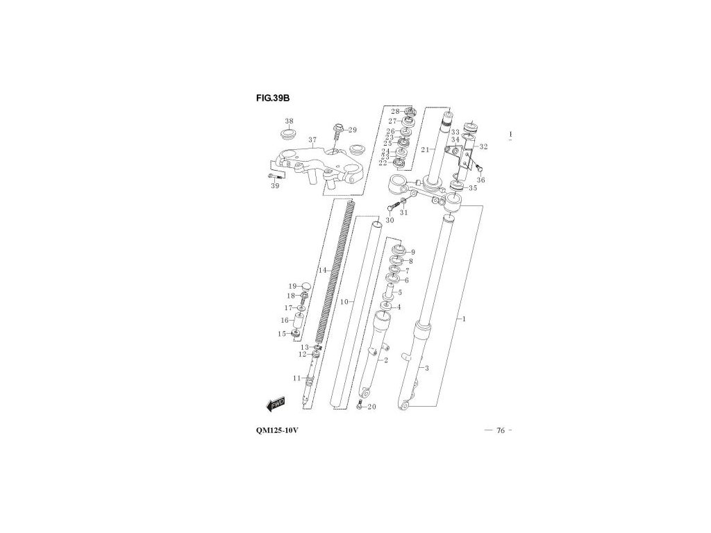
02 - tlumič P.P. MODEL 2004 (s držákem brzdiče,30x785mm)
Kód: 10V4202Detailní popis produktu
Vhodné pro model:125 SPORT II. (QM125-2V): POZOR: je náhradou původního dílu 12V4001 a je nutné zohlednit tuto informaci pro uvedený typ moto: s držákem brzdiče
Doplňkové parametry
| Kategorie: | 42 - vidlice přední MODEL 2004 |
|---|---|
| EAN: | 51131QLBK000 // QM125-2V.31.1-16 |
| Skladové číslo: | 10V4202 |
| Skupina: | 42 |
| Pozice: | 02 |
| Typ moto: | QM125-10V |
| Model: | 125 SPORT |
| Počet ks na moto: | 1 |
| Položka byla vyprodána… | |
Diskuze
Buďte první, kdo napíše příspěvek k této položce.
