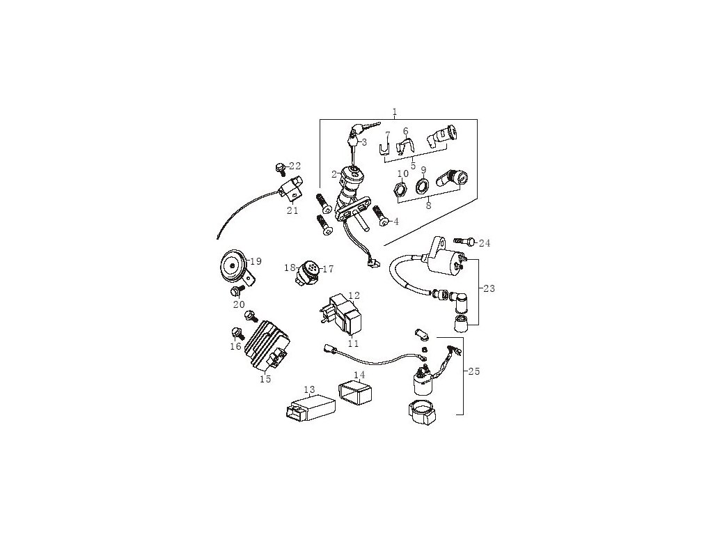
23 - zapalovací cívka
Kód: 10C2123Detailní popis produktu
<Díl již není možné objednat, ale existuje NÁHRADA SKN140404. Náhradu naleznete zdeDoplňkové parametry
| Kategorie: | 21-elektropříslušenství |
|---|---|
| EAN: | P152QMI-A.07-02 |
| Skladové číslo: | 10C2123 |
| Skupina: | 21 |
| Pozice: | 23 |
| Typ moto: | QM125T-10R |
| Model: | 125 RMC |
| Počet ks na moto: | 1 |
| Objcislo: | SKN140404 |
| Položka byla vyprodána… | |
Diskuze
Buďte první, kdo napíše příspěvek k této položce.
