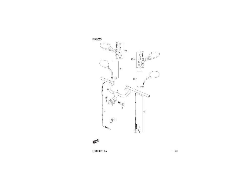
09 - zrcátko plastové P. M8
Kód: 10A2309Detailní popis produktu
<Díl již není možné objednat, ale existuje NÁHRADA QT61906. Náhradu naleznete zdeDoplňkové parametry
| Kategorie: | 23 - řidítka,zrcátka,bowdeny |
|---|---|
| EAN: | QM125T-10A.32.7-00 |
| Skladové číslo: | 10A2309 |
| Skupina: | 23 |
| Pozice: | 09 |
| Typ moto: | QM50T-10A |
| Model: | 50 RALLY 2T |
| Počet ks na moto: | 1 |
| Objcislo: | QT61906 |
| Položka byla vyprodána… | |
Diskuze
Buďte první, kdo napíše příspěvek k této položce.
